认证信息
认 证:工商信息已核实
访问量:38814
手机网站
扫一扫,手机访问更轻松
产品分类
产品简介
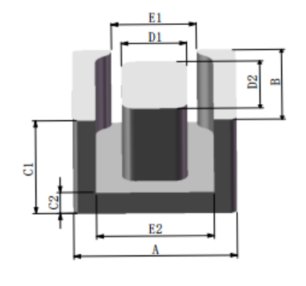
异形磁芯(HI方块)Special-Shaped Cores
HI SERIES Part No: | 尺寸(mm) | |||||||
A | B | C1叠加后 | C2 | D1 | D2 | E1 | E2 | |
HIF252616-060 | 24.5±0.2 | 26.0±0.2 | 31.0±0.3 | 3.5±0.1 | 9.9±0.1 | 17.6±0.2 | 12.75(ref) | 18.3±0.2 |
HIF252616-090 | ||||||||
- 推荐产品
- 供应产品
- 产品分类



